가용성 향상 및 배출 가스 목표 충족

폐기물 에너지화(WTE)

폐기물 에너지화(WTE) 시설은 순환 경제에 매우 중요하며 농업용 잔류물, 임업 부산물 및 생활 폐기물 등 다양한 폐기물을 사용 가능한 전기 및 열로 전환합니다. 안전하고 안정적이며 최적화된 운영을 보장하기 위해 이 플랜트에는 광범위한 연료 유형 및 연소 공정 전반에서 높은 가용성(HA), 규제 준수 및 운영 유연성을 지원하는 고급 기술이 필요합니다.

Emerson Helps Ensure Reliable Power Generation at Waste-to-Energy Plant
통합 제어 및 모니터링 기술

폐기물 대 에너지 라이프 사이클 전반의 성능 최적화

플랜트 장비 전반의 신뢰성 향상, 배출 감축 및 운영 간소화

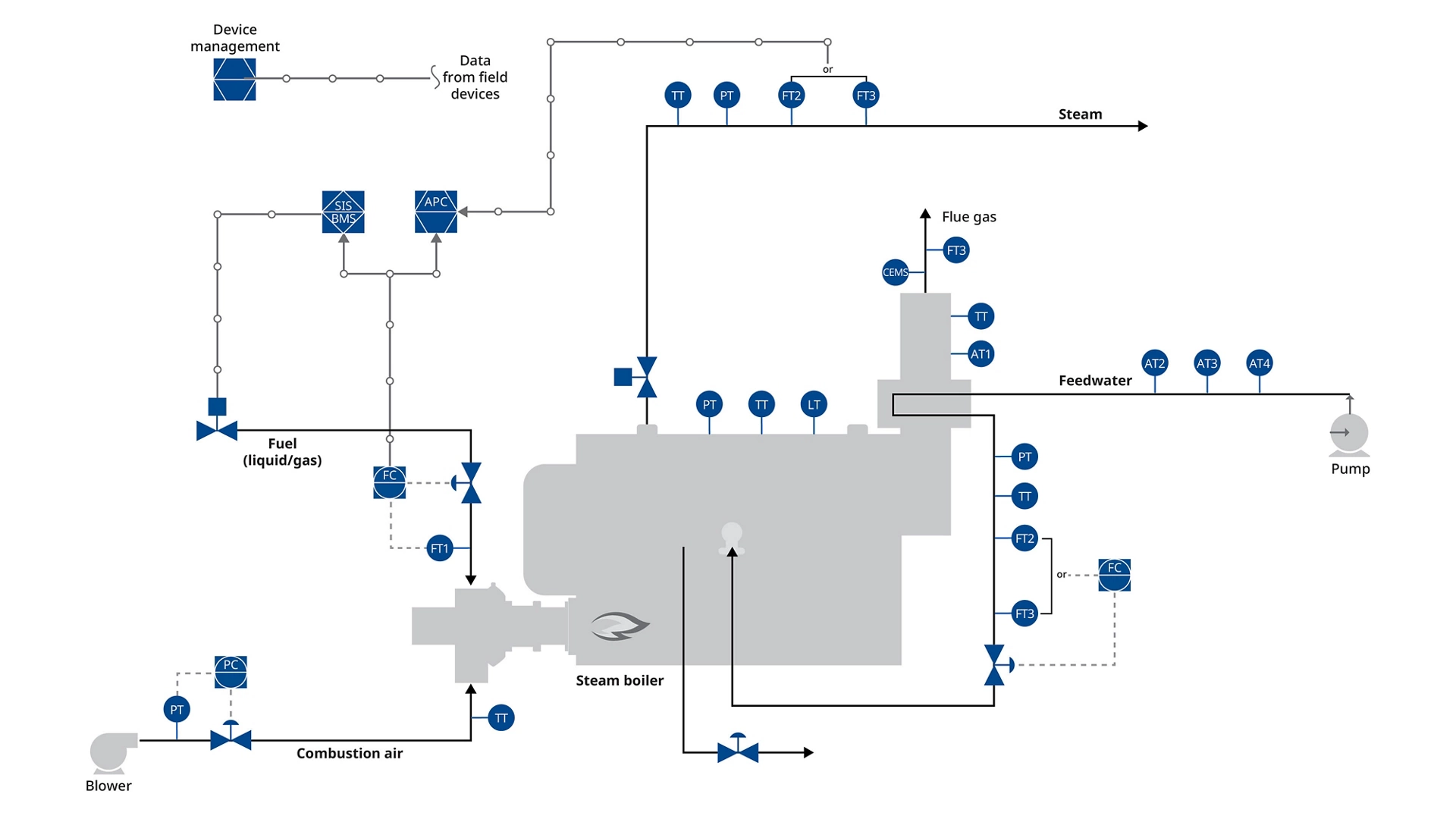
폐기물 에너지화 플랜트는 까다로운 조건에서 운영되며 가변 공급원료를 관리하고 엄격한 배출 표준을 준수합니다. 통합 자동화, 제어 및 안전 시스템은 운영자가 공정 안전성을 유지하고, 환경 규정을 준수하며, 장비 성능 또는 연소 역학의 변화에 신속하게 대응할 수 있도록 합니다. 연료 취급 및 연소부터 증기 생성 및 배출 모니터링에 이르기까지 고급 자동화 기술은 일관된 성능, 효율적인 자원 회수 및 장기적인 운영 탄력성을 제공합니다.

실시간 제어, 가시성 및 의사결정 지원

사용 중인 폐기물 대 에너지 솔루션

폐기물 대 에너지 플랜트는 전체 공정에서 데이터와 제어를 통합하는 중앙 집중식 플랫폼의 이점을 활용할 수 있습니다. 확장 가능 자동화 시스템은 연소 가변성에 정밀하고 조정된 응답을 제공하면서 디지털 도구를 통해 예측 유지보수, 원격 진단 및 실시간 준수 모니터링을 가능하게 합니다. 이러한 통합 솔루션은 운영 팀이 가동중단을 최소화하고, 장비 수명을 연장하며, 투입 단계부터 터빈까지의 성능을 최적화할 수 있도록 지원합니다.

시스템 전반의 제어 및 안전 통합

image

통합제어안전시스템(ICSS)은 플랜트 자동화의 핵심을 형성하며, 모든 운영에서 실시간 모니터링과 조정된 응답을 구현합니다. 이러한의 시스템은 직원, 장비 및 환경을 보호하면서 안전하고 안정적인 성능을 보장합니다.

실시간 조정으로 안정적인 연소 보장

터빈 효율성 및 증기 균형 실현

확신할 수 있는 환경 표준 준수

image

플랜트 제어와 통합된 지속적인 배출 모니터링 시스템(CEMS)은 NOx, SOx, CO 및 미립자와 같은 오염원을 실시간으로 추적합니다. 이러한 시스템은 규제 준수를 보장하고 사전 환경 관리를 가능하도록 도움을 줍니다.

유지보수 및 효율성을 위한 예측 인사이트 활용

image

디지털 도구 및 분석 플랫폼은 운영 데이터를 실행 가능한 인사이트로 전환하여 예측 유지보수, 원격 진단 및 성능 벤치마킹을 지원합니다. 이를 통해 팀은 가동중단을 줄이고, 장비 수명을 연장하며, 스마트한 결정을 내릴 수 있습니다.

폐기물을 지속 가능한 전력으로 전환

자주 묻는 질문(FAQ)

폐기물 대 에너지(WTE) 기술은 생활 폐기물(MSW), 산업 폐기물 및 기타 재활용 불가의 자재를 전기와 열로 전환하여 지속 가능한 발전에서 핵심적인 역할을 합니다. 이 FAQ 섹션에서는 WTE의 작동 방식, 사용되는 폐기물 종류, 환경 고려사항, 자동화 및 디지털 기술이 플랜트 효율성, 안전성 및 규제 준수를 어떻게 개선하는지에 대한 주요 질문을 다룹니다. 도시와 산업이 청정 에너지 솔루션을 추구함에 따라 WTE는 매립 사용을 줄이고, 온실 가스 배출을 감소시키며, 폐기물 스트림에서 가치 있는 에너지 회수를 위한 신뢰할 수 있는 방법을 제공합니다.

폐기물 대 에너지는 재활용할 수 없는 폐기물을 사용 가능한 에너지(일반적으로 전기 또는 열)로 전환하는 공정입니다. 즉 소각, 가스화 또는 혐기성 소화와 같은 방법을 통해 매립량 감소와 재생 전력을 생산하는 데 도움을 줍니다.

WTE 플랜트는 생활 폐기물(MSW), 산업 폐기물, 바이오 매스 및 기타 재활용 불가의 자재를 처리하여 매립지로 보낼 수 있습니다.

에너지는 폐기물을 연소시켜 증기를 생산하고 이를 통해 터빈을 구동하여 전력을 생산하거나, 혐기성 소화로부터 바이오 가스를 포집하여 열과 전력을 생산하는 방식으로 회수됩니다.

고급 배출 제어 시스템이 장착된 WTE 시설은 매립지에서 발생되는 메탄 배출을 줄이고, 폐기물에서 에너지를 회수하며, 공기 품질 및 지속 가능성에 대한 엄격한 환경 기준을 충족합니다.

WTE 플랜트는 폐기물을 신뢰할 수 있는 전원으로 전환하여 재생 에너지를 제공하고, 매립 의존성을 줄이고, 온실 가스 배출을 줄이며, 지역 에너지 보안을 강화합니다.

자동화는 실시간 모니터링, 연소 공정 최적화, 배출 제어 강화, 예측 유지보수 지원을 통해 WTE 플랜트의 운영을 더욱 안전하고 효율적으로 개선합니다.