생명 과학용 측정 계기

고급 측정 기술로 파이프라인을 가속화하고, 유연한 제조를 강화하고, 운영 무결성을 보장하고, 실시간 출시를 지원하고, 지속 가능한 운영을 지원합니다.

Measurement Instrumentation for Life Sciences Manufacturing - Drug Safety

생명 과학 가치 사슬 전반에서 의약품의 안전성과 효능 보장​

업스트림에서 다운스트림 의약품 제조에 이르기까지 에머슨은 진화하는 생명과학 산업에서 앞서 나갈 수 있도록 도와주는 혁신적인 솔루션을 제공합니다. 이러한 최첨단 기술은 생산성을 향상하고 비용을 절감하며 시장 출시 시간을 단축하여 증가하는 운영 요구를 충족하도록 설계되었습니다.​

 

업스트림 의약품 제조를 위한 측정 계측기​

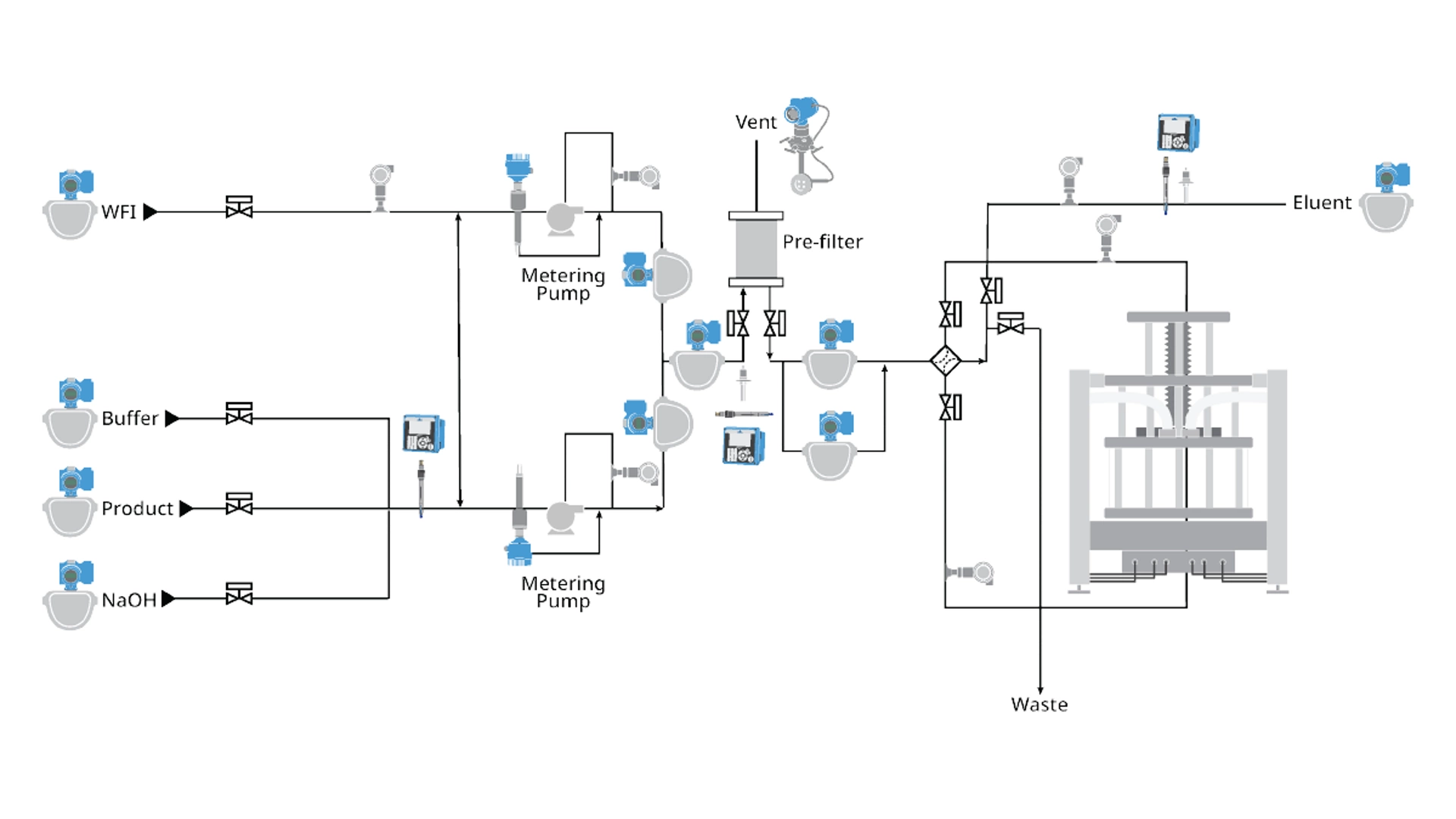
Measurement Instrumentation for Life Sciences Manufacturing - Media and Buffer Preparation

완충액 및 매체 준비는 성장(USP) 및 정제(DSP) 단계에 필요한 환경을 제공하므로 의약품 생산공정에서 필수적입니다. 제조업체는 고급 측정 기술을 활용하여 가변성 문제를 효과적으로 해결하고 엄격한 품질 표준을 유지하며 운영을 간소화할 수 있습니다. 공정 계측은 전반적인 생산성을 향상시켜 제조업체가 지속적으로 고품질의 제품을 생산할 수 있도록 해줍니다. 

Measurement Instrumentation for Life Sciences Manufacturing - Fermentation

생물 반응기에서 최적의 조건을 보장하는 것은 세포 생존력과 생산성을 극대화하고, 제품 품질을 유지하며, 생산 목표를 달성하는 데 매우 중요합니다. 고급 계측기를 통해 의약품 제조업체는 발효 공정을 최적화하여 일관된 고품질 출력을 보장하는 동시에 신뢰성, 배치간 일관성 및 생산 효율성을 향상시킬 수 있습니다. 

업스트림 의약품 제조를 위한 측정 계측기​

Measurement Instrumentation for Life Sciences Manufacturing - Chromatography​

효과적인 크로마토그래피 작업은 제품 품질과 운영 효율성을 유지하는 데 필수적인 복잡한 혼합물의 신뢰할 수 있고 일관된 분리, 정제 및 분석을 보장합니다. 제조업체는 고급 계측 및 제어 솔루션을 활용하여 크로마토그래피 공정을 최적화하고 고품질 출력을 보장하며 오염 위험을 최소화하며 궁극적으로 신약 치료제의 속도를 가속화할 수 있습니다.

Measurement Instrumentation for Life Sciences Manufacturing - Direct Flow Filtration​​

막다른 골목 여과라고도 알려진 직접 흐름 여과(DFF)는 액체 제품에서 고체 오염 물질을 효율적으로 제거하는 데 중요한 기술입니다. 정확하고 신뢰할 수 있는 계측 도구를 통합하는 것은 일관된 여과 성능을 유지하고 처리량을 최적화하며 제품 손실을 최소화하는 데 매우 중요합니다. 고급 계측기를 통해 제조업체는 정밀한 모니터링과 상세한 공정 통찰력을 제공하여 공정을 미세 조정하고, 고품질 표준을 유지하며, 규제 요구사항을 충족하여 보다 안전하고 효과적인 의약품을 생산할 수 있습니다.

Measurement Instrumentation for Life Sciences Manufacturing - Tangential Flow Filtration​​

직교류 여과라고도 알려진 접선 유동 여과(TFF)는 생체 분자를 효율적으로 분리하고 정제하여 고순도 제품을 보장하기 위한 의약품 생산의 다양한 단계에 필수적인 기술입니다. TFF의 효율성과 일관성은 정밀한 공정제어를 유지하고 주요 파라미터를 모니터링하며 최적의 여과 성능을 보장하여 제품 품질과 규제 표준 준수를 향상시킬 수 있는 정확하고 신뢰할 수 있는 계측기를 보유하는 것에 크게 좌우됩니다.

유틸리티용 계측기​

Measurement Instrumentation for Life Sciences Manufacturing - Clean-in-Place

교차 오염을 방지하고 높은 안전 표준을 유지하며 배치간 일관성을 달성하려면 CIP(Clean-in-Place) 및 SIP(Steam-In-Place) 시스템의 효능을 보장하는 것이 중요합니다. 의약품 제조업체는 규제 요구 사항 및 업계 모범 사례를 준수하기 위해 이러한 시스템을 엄격하게 구현하고 모니터링해야 합니다. 정밀한 계측기는 생산자가 세척 공정의 효율성을 검증하여 최종 의약품의 전반적인 안전성과 무결성을 보장하는 데 도움이 될 수 있습니다.

Measurement Instrumentation for Life Sciences Manufacturing - Steam

최적의 성능, 에너지 효율성, 안전 및 품질 표준 준수를 보장하기 위해 스팀을 지속적으로 모니터링하고 제어해야 합니다. 공정 최적화 및 유지보수 일정 관리에 필요한 정확한 데이터를 제공하므로 효과적인 증기 생성, 분배 및 사용을 위해서는 강력한 계측기가 필수적입니다.

Measurement Instrumentation for Life Sciences Manufacturing - Thermal Energy

에너지 비용이 상승함에 따라 비효율성을 파악하고, 소비를 줄이며, 운영 비용을 낮추기 위해서는 효율적인 에너지 관리 전략이 매우 중요합니다. 고급 모니터링 및 제어 시스템을 통해 생산성과 환경 지속 가능성을 더욱 향상시키는 데이터 기반 의사 결정을 가능하게 합니다. 에너지 분배 및 소비 패턴에 대한 가시성이 향상됨에 따라 목표 개선을 통해 전반적인 에너지 사용을 최적화할 수 있습니다.

Measurement Instrumentation for Life Sciences Manufacturing - Compressed Gases

깨끗한 압축 공기는 품질 및 순도 표준을 유지하기 위해 고품질 여과 시스템이 필요하기 때문에 비용이 많이 드는 경우가 많습니다. 정밀한 측정 및 자동화 솔루션을 통합함으로써 의약품 제조업체는 상세한 소비 데이터를 수집하고, 누출을 식별하고, 압축 공기 시스템을 최적화하여 지속 가능성과 운영 효율성을 개선할 수 있습니다.

리소스

자주 묻는 질문

신뢰할 수 있는 측정 계기는 제품의 일관성, 안전성 및 효능을 보장하기 때문에 의약품 및 바이오의약품 제조에 매우 중요합니다. 사소한 편차라도 비효과적이거나 유해한 제품으로 이어질 수 있으므로 엄격한 품질제어와 규제 준수를 유지하려면 정밀한 측정이 필요합니다. 또한 기기 데이터는 차세대 진단 및 공정 분석 기능의 토대를 형성합니다.

신뢰할 수 있는 계측기는 정확도, 안정성, 긴 스팬 및 사용 편의성으로 정의됩니다. 정확성은 측정이 정확하고 신뢰할 수 있도록 보장하며, 이는 정보에 입각한 결정을 내리는 데 매우 중요합니다. 안정성은 기기가 시간이 지남에 따라 다양한 환경 조건에서 일관되게 작동할 수 있음을 보장합니다. 수명이 길다는 것은 장치가 장기간 기능적이고 신뢰할 수 있는 상태를 유지하므로 잦은 교체 필요성이 줄어든다는 것을 의미합니다. 사용 편의성을 통해 제조업체는 계기를 올바르게 활용하여 오류 가능성을 최소화하고 전반적인 생산성을 향상시킬 수 있습니다.

최신 스팀 트랩 모니터링은 무선 센서를 활용하여 스팀 트랩 효율성에 대한 실시간 데이터를 수집합니다. 이 데이터는 고급 분석을 통해 고장을 예측하고 유지 보수 일정을 최적화하는 데 도움이 되는 애플리케이션별 플랫폼으로 전송됩니다. 예를 들어, 유지보수팀은 Plantweb 인사이트™ 스팀 트랩 어플리케이 션을 사용하여 에너지 및 지속 가능성 목표에 대한 성능을 추적 및 보고하고, 경고를 보내고, 엔터프라이즈 시스템과 통합하여 작업 지시를 생성하거나 분석을 수행할 수 있습니다. 

장치 전자장치에 상주하는 고급 진단을 통해 장치 성능을 원격으로 검증할 수 있습니다. 예를 들어, 에머슨 유량 장치의스마트 미터 검증 을 사용하면 제어 시스템을 통해 계량기가 여전히 사양 범위 내에 있는지 원격으로 확인할 수 있습니다. 이를 통해 가동 시간을 늘리고 보다 즉각적인 트러블 슈팅을 할 수 있습니다. 생산 시설에서는 이 방법을 기존의 계측 방법과 비교하여 테스트함으로써 규제 당국의 승인을 받았습니다. 

의약품 제조 계측의 미래는 머신러닝 및 인공지능(AI)과 같은 첨단 기술의 통합으로 이동하고 있습니다. 이러한 혁신은 공정 제어의 정밀도와 효율성을 향상시켜 실시간 모니터링 및 예측 유지보수를 가능하게 하는 것을 목표로 합니다. 이러한 기술은 방대한 양의 계기 데이터를 분석하여 고급 공정 분석을 수행할 수 있습니다. 그 결과 얻은 통찰력을 자동화 스택에 원활하게 통합하여 생산 프로세스를 최적화할 수 있습니다. 또한 이 데이터는 자동화된 보고 시스템을 통해 규제 준수를 보장하고 감사를 간소화하며 추적성을 향상시킵니다. 이러한 기술이 발전함에 따라 의약품의 안전성과 효능을 보장하고 궁극적으로 환자에게 혜택을 주는 데 중요한 역할을 할 것입니다.

산업 솔루션

Emerson의 종합 생명과학 솔루션

고급 자동화 솔루션, 다양한 제품 포트폴리오 및 단일 소스 제공업체의 응용 전문 지식으로 운영을 간소화하십시오.